Диодный мост — электрическая схема, предназначенная для преобразования (выпрямления) переменного тока в пульсирующий.
Диодный мост KBPC1010 рассчитан на обратное напряжение до 1000 В и прямой ток до 10 А. Рекомендуется, чтобы обратное напряжение диодного моста превышало входное напряжение с трансформатора хотя бы в два раза.
Прямой ток через диод определяется током, потребляемым нагрузкой. При превышении этого параметра, происходит тепловой пробой и диодный мост выходит из строя.
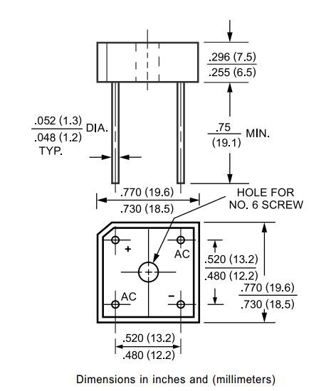
Идентифицировать выводы для пайки совсем не сложно:
- Отметка «+» находится рядом с положительным выводом;
- Отметка «-» – рядом с отрицательным выводом.
Это выходы диодного моста. Два оставшихся вывода – это входы, которые служат для подачи переменного напряжения (AC).











